
Professional metal stud shop drawings in Toronto. Detailed CFS framing drawings for cold-formed steel and metal stud projects.
Last updated:
Konstruction Group provides professional metal stud shop drawings for cold-formed steel framing projects throughout Ontario. Our detailed CFS drawings ensure accurate fabrication and efficient installation - we translate architectural and structural designs into clear documents that crews can build from. As experienced CFS installers ourselves, we know what information framers need on site.


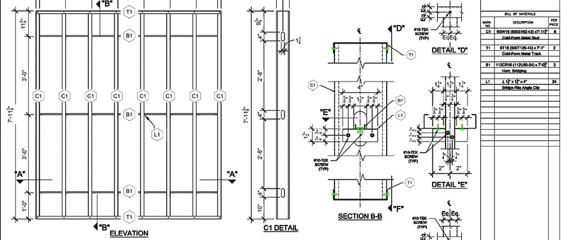
Shop drawings translate architectural and structural designs into detailed fabrication and installation documents. They show exact stud layouts, member sizes and gauges, connection details, opening reinforcement, and dimensions that contractors need to order materials and build accurately. For cold-formed steel, shop drawings also specify screw patterns, clip angles, and bridging requirements that are critical to assembly performance. Good shop drawings prevent field errors, reduce installation time, and minimize costly RFIs during construction. Our drawings coordinate with insulation and drywall scopes to ensure wall assemblies work as a complete system.
Proper shop drawings reduce field errors, minimize material waste, and speed up installation. They identify conflicts before construction begins - clashes between CFS members and MEP penetrations, unclear structural conditions, and coordination issues with curtain wall or window framing. Without shop drawings, framers make layout decisions on site that may not match design intent or Ontario Building Code requirements, leading to rework and schedule delays. On multiplex and mid-rise projects in the GTA, we routinely catch conflicts in the drawing phase that would cost thousands to resolve in the field.
We create shop drawings from a framer's perspective. Every detail is shown clearly with dimensions that make sense for field layout - stud spacing called from a consistent datum, opening sizes and header elevations dimensioned for quick verification, and connection details drawn at scales that are readable on a jobsite. We coordinate with architects, engineers, and other trades to resolve conflicts before drawings are issued. All drawings go through an internal constructability review and then formal approval before fabrication begins.

We review architectural and structural drawings to understand the framing scope.
Typical timeline: 1-2 daysOur drafters create detailed wall, floor, and roof framing drawings with connection details.
Typical timeline: 1-2 weeksSenior staff reviews drawings for accuracy and constructability.
Typical timeline: 1-2 daysDrawings submitted to architect and engineer for approval.
Typical timeline: 1 dayComments addressed and revised drawings resubmitted as needed.
Typical timeline: 3-5 days per roundApproved drawings and material lists released for fabrication and construction.
Typical timeline: Same dayShop drawing pricing depends on project size and complexity. Simple residential projects start around $500-$1,500. Larger commercial projects are priced based on scope. We can quote after reviewing your structural drawings. Our shop drawings also indicate stud gauge, flange width, and web depth for every wall type, ensuring the correct material is ordered and installed.
Typical turnaround is 1-3 weeks depending on project size and complexity. We work backwards from your construction schedule to ensure drawings are ready when needed. Rush service is available for tight timelines.
Yes, we submit shop drawings to the architect and engineer for approval and process their comments through revisions. We handle the back-and-forth until drawings are approved and released for construction.
We use industry-standard CAD software including AutoCAD and Revit that can export to DWG, DXF, and PDF formats. For BIM-enabled projects, we can produce 3D CFS models that integrate with the project's overall coordination model. We work with whatever format your project team prefers and coordinate with BIM models when available to identify clashes early in the process.
Yes, every shop drawing package includes complete bills of materials with stud sizes, gauges, lengths, and quantities. This allows accurate material ordering and reduces waste from over-ordering or wrong sizes.
Yes, we provide shop drawing services for other contractors. While we prefer to install what we draw, we offer standalone shop drawing services for CFS projects where another contractor is doing the installation.
Contact us today for a free consultation and estimate on your project.
Request Quote Online(416) 901-6020Professional steel detailing and shop drawings in Toronto. Structural steel fabrication drawings for beams, columns, and connections.
Professional value engineering services in Toronto. Cost optimization and design alternatives for construction projects without compromising quality.
Professional construction takeoff and estimation services in Toronto. Accurate material quantities and cost estimates for framing, drywall, and steel projects.
Contact Konstruction Group today for professional metal stud shop drawings services in Toronto and the GTA.
Get a Free Quote